Sign In | Join Free | My portofva.com
China HongKong Wei Ya Hua Electronic Technology Co.,Limited logo
HongKong Wei Ya Hua Electronic Technology Co.,Limited
HongKong Wei Ya Hua Electronic Technology Co.,Limited.
Verified Supplier

3 Years

Home > IGBT Transistor Module >

TLE92464EDHPXUMA1 Power Switch IC 1 : 4 N Channel 2.7A PG-DSO-36-72

HongKong Wei Ya Hua Electronic Technology Co.,Limited
Trust Seal
Verified Supplier
Credit Check
Supplier Assessment
Contact Now

TLE92464EDHPXUMA1 Power Switch IC 1 : 4 N Channel 2.7A PG-DSO-36-72

Brand Name : Infineon Technologies

Model Number : TLE92464EDHPXUMA1

MOQ : 50pcs

Price : Negotiable

Supply Ability : 1000000pcs

Output Type : N-Channel

Interface : SPI

Voltage - Load : 6V ~ 18V

Voltage - Supply (Vcc/Vdd) : 4.5V ~ 5.5V

Current - Output (Max) : 2.7A

Rds On (Typ) : 115mOhm

Contact Now

TLE92464EDHPXUMA1 Power Switch/Driver 1:4 N-Channel 2.7A PG-DSO-36-72

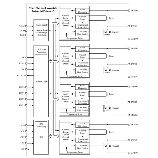
Infineon Technologies TLE92464EDHP 4-Ch Solenoid Driver IC

Infineon Technologies TLE92464EDHP 4-Ch Solenoid Driver IC offers a high accuracy performance and is designed to control four linear solenoids in an automatic transmission, electronic stability control, and active suspension applications. The TLE92464EDHP provides <±3mA up to 1200mA initially and <±0.8% up to 1200mA including aging compared to the existing TLE92464ED.

The Infineon TLE92464EDHP 4-Ch Solenoid Driver IC can program target currents from 0 to 1500mA with a resolution of 15 bits and supports dither currents up to 1800mA. The dither generator superimposes a triangular or trapezoidal waveform with programmable amplitude and frequency on the programmed current setpoint.

The number of external components is reduced by including the drive transistors and the current sensing resistors. The TLE92464EDHP is ISO 26262 compliant and achieves the safety level ASIL offered in a PG-DSO-36-72 small power package.

FEATURES

  • High current control accuracy
    • <±3mA up to 1200mA initially (TJ = -40 - 150°C, VBAT = 9V - 16V)
    • <±0.8% up to 1200mA including aging (TJ = -40 - 150°C, VBAT = 9V - 16V)
    • <±1% up to 1500mA including aging (TJ = -40 - 150°C, VBAT = 6V - 18V)
  • Four independent low side channels with integrated MOSFETs (RDSon = 115mΩ)
  • Programmable setpoint from 0 mA to 1.5A
  • Load current including dither 1.8A
  • Current in parallel channel mode 2.7A
  • Integrated dither generator with programmable amplitude, frequency, and waveform
  • 15-bit current setpoint resolution
  • Integrated sense resistor RSHUNT = 140mΩ
  • Excellent immunity to large load supply voltage changes
  • Operation down to 3.5V at VDD pin
  • 32-bit SPI with 8 bit CRC and SPI watchdog
  • Sophisticated protection and diagnostic functions for each channel in on and off state
    • Independent thermal shutdown for each channel
    • Diagnostic function (open load, short circuit ground, overcurrent)
    • Voltage monitoring
    • Overtemperature protection
  • Two independent current feedback paths
  • Integrated system clock with clock watchdog
  • Temperature range -40°C to 175°C
  • Small power package PG-DSO-36-72
  • Green Product (RoHS compliant)
  • Pb-free (RoHS compliant) package
  • AEC-Q100 Grade 0 qualified
  • ISO 26262 Safety Element out of Context for safety requirements up to ASIL C

APPLICATIONS

  • Variable force solenoids (e.g. automatic transmission and e-Axle)
  • Other constant current solenoids
  • Idle air control
  • Exhaust gas recirculation
  • Vapor management valve
  • Suspension control

BLOCK DIAGRAM

TLE92464EDHPXUMA1 Power Switch IC 1 : 4 N Channel 2.7A PG-DSO-36-72

Product Tags:

NChannel Power Switch IC

      

TLE92464EDHPXUMA1 IC

      

PG-DSO-36-72 IC

      
China TLE92464EDHPXUMA1 Power Switch IC 1 : 4 N Channel 2.7A PG-DSO-36-72 wholesale

TLE92464EDHPXUMA1 Power Switch IC 1 : 4 N Channel 2.7A PG-DSO-36-72 Images

Inquiry Cart 0
Send your message to this supplier
 
*From:
*To: HongKong Wei Ya Hua Electronic Technology Co.,Limited
*Subject:
*Message:
Characters Remaining: (0/3000)